首頁-水環式真空泵型號-SK型水環式真空泵SK型水環式真空泵
一、SK型水環式真空泵及壓縮機用途及使用范圍:
SK型水環真空泵及壓縮機根據JB/T7255-94《水環真空泵和水環壓縮機》設計制造。
SK型水環式真空泵及壓縮機是用來抽吸或壓送氣體和其它無腐蝕性、不溶于水、不含有固體顆粒的氣體,以便在密閉容器中形成真空或壓力,滿足工藝流程要求。吸入或壓送的氣體中允許混有少量的液體。
SK型水環式真空泵及壓縮機廣泛應用于機械、石油、化工、制藥、陶瓷、制糖、印染、冶金及電子等行業。
由于在工作過程中,SK型水環式真空泵對氣體的壓縮是在等溫狀態下進行的,因此在壓送或抽吸易燃、易爆氣體時,不易發生危險,所以在其應用更加廣泛。
對于抽吸或壓送腐蝕氣體和以其它非水液體作為工作液的真空泵,可根據用戶使用條件設計制造。
二、SK型水環式真空泵及壓縮機型號意義:

三、SK型水環式真空泵工作原理:
如圖(1)所示,葉輪3偏心地安裝在SK型水環式真空泵體2內,因此當葉輪3旋轉時,水受離心力的作用而在SK型水環式真空泵體內壁形成一旋轉水環5,水環上部內表面與輪轂相切沿箭頭方向旋轉,在前半轉過程中,水環內表面逐漸與輪轂脫離,因此在葉輪葉片間與水環形成封閉空間,隨著葉輪的旋轉,該空間逐漸擴大,空間氣體壓力降低,氣體被及入空間;在后半轉過程中,水環內表面漸漸與輪轂靠近,葉片間的空間逐漸縮小,空間氣體壓力升高,高于排氣口時,葉片間的氣體被排出。如此葉輪每轉動一周,葉片間的空間吸排一次,許多空間不停地工作,SK型水環式真空泵就連續不斷地抽吸或壓送氣體。
SK型水環式真空泵由于在工作過程中,做功產生熱量,會使工作水環發熱,同時一部分水和氣體一起被排走,因此,在工作過程中,必須不斷地給泵供水,以冷卻和補充泵內消耗的水,滿足泵的工作要求。
當SK型水環式真空泵排出的氣體不再利用時,在泵排氣一端接有氣水分離器(可自己制作一水箱代替),廢水和所帶的部分水排入氣水分離器后,氣水分離,氣體由排氣管排出,留下的水經回水管供至泵內繼續使用。隨著工作時間的延長,工作水溫度會不斷地升高,這時需從氣水分離器供水處供給一定的冷水(自來水),以降低工作水的溫度,保證泵能達到所要求的技術要求和指標。

SK型水環式真空泵原理圖1
1.端蓋 2. 泵體 3.葉輪
4.排氣孔 5.水環 6.吸氣孔
|

SK型水環式真空泵原理圖2
a.橡膠球孔 b.泵體 c.排氣管 d.吸氣管e.吸氣孔f.進水 |
當SK型水環式真空泵作為壓縮機使用時,泵排氣口接有氣水分離器,氣水混合物進入氣水分離器后自動分離,氣體由排氣管輸送到所需系統而工作水經過自動溢于開關放出,壓縮氣體時,工作水極易發熱,水由SK型水環式真空泵出口排出,溫度會變得較高,因此在氣水分離器的底部,要不斷地供給冷水,以補充被放走的熱水,同時起冷卻作用,使工作水溫度不致過高,從而保證壓縮機性能,達到技術指標,滿足工藝要求。
四、SK型水環式真空泵結構圖及說明:
SK型水環式真空泵的結構如圖2、圖3、圖4所示。

圖3:SK-1.5/3水環真空泵結構圖
1.端蓋 2.排氣園盤 3.后軸承架 4.軸承 5.后軸承城市蓋 6.軸7.園螺母 8.后軸套9. 填料壓蓋 10.填料壓圈 11.填料 12.平鍵 13. 葉輪 14.泵體 15.吸氣園盤 16.前軸套 17.前軸承架18.前軸承壓蓋 19.平鍵 20.聯軸器 21.進水管 
圖4 :SK-6/12/20/30/42/60/85/120水環泵結構圖
1.端蓋 2.后吸排氣園盤 3.葉輪 4.軸承架 5.園螺母 6.后軸承壓蓋 7.軸 8.軸承 9. 后軸套10.填料壓圈 11.填料 12.填料壓圈 13.平鍵 14.泵體 15.連通管 16.前吸排氣園盤 17.前軸套 18.聯軸器具 19.平鍵 20.園螺母 21.前軸承壓蓋 22.供水管
SK型水環式真空泵由泵體、兩個端蓋、葉輪、軸等部件組成。進氣管和排氣管通過安裝在端蓋上的園盤上的吸氣孔和排氣孔與泵腔相連,軸偏心地安裝在泵體中,葉輪用平鍵固定在軸上。SK水環式真空泵兩端面的總間隙由泵體和園盤之間的墊來調整,葉輪與端蓋上的園盤之間的間隙由軸套(SK-1.5、SK-3、SK-6)推動葉輪來調整,而SK-9以上大泵軸與葉輪為過盈配合,此間隙由前端定位時確定,SK-9、SK-12、SK-20、SK-30、SK-42、SK-60、SK-85、SK-120無軸套,其余結構與SK-6相同。SK型水環式真空泵葉輪兩端面與端蓋園盤的間隙決定氣體在泵腔內由進氣口至排氣口流動中損失的大小及極限壓力。
SK型水環式真空泵填料安裝在兩端蓋內,密封不經由端蓋中的小孔進入填料中,冷卻填料及加強密封效果。葉輪形成水環所需的補充水由供水管供給,供水管可與氣水分離器連在一起循環供水。
SK型水環式真空泵密封形式采用機械密封,機械密封安裝在填料空腔里,填料省略。填料壓蓋換成機械密封壓蓋,其余結構相同。 軸承由園螺母固定在軸上。
SK型水環式真空泵在端蓋上安裝有園盤,園盤上設有吸、排氣孔和橡膠球閥。橡膠球閥的作用是當葉輪葉片間的氣體壓力達到排氣壓力時,在排氣口以前就將氣體排出,減少了因氣體壓力過大而消耗的功率,從而降低功率消耗。
五、SK型水環式真空泵的性能參數表:
型號 |
抽氣量(m3/min) |
極限壓力
(mmHg) |
電機功率(kW) |
泵轉速
(r.p.m) |
壓縮機壓力(MPa) |
吸排氣口徑
(mm) |
泵重
(整機)(Kg) |
推薦替代產品 |
| 最大氣量 |
吸入壓力為-0.041MPa時 |
真空泵 |
壓縮機 |
| SK-1.5 |
1.5 |
1.35 |
-700 |
4 |
5.5 |
1440 |
0-0.1 |
70 |
200 |
2BV5110 |
| SK-3 |
3 |
2.8 |
-700 |
5.5 |
7.5 |
1440 |
0-0.1 |
70 |
320 |
2BV5111 |
| SK-6 |
6 |
5.4 |
-700 |
11 |
15 |
1440 |
0-0.1 |
80 |
460 |
2BV5131 |
| SK-12 |
12 |
10.8 |
-700 |
18.5 |
30 |
970 |
0-0.1 |
80 |
750 |
2BE1 202-970 |
| SK-20 |
20 |
18 |
-700 |
37 |
55 |
730 |
0-0.1 |
150 |
1700 |
2BE1 203-970 |
| SK-30 |
30 |
27 |
-700 |
55 |
75 |
730 |
0-0.1 |
150 |
2300 |
2BE1 252-740 |
| SK-42 |
42 |
37.8 |
-700 |
75 |
- |
730 |
- |
150 |
2500 |
2BE1 253-740 |
| SK-60 |
60 |
54 |
-700 |
95 |
- |
550 |
- |
250 |
3500 |
2BE1 303-740 |
| SK-85 |
85 |
76.5 |
-700 |
132 |
- |
550 |
- |
250 |
3800 |
2BE1 353-592 |
| SK-120 |
120 |
108 |
-700 |
185 |
- |
490 |
- |
300 |
5520 |
2BE3 420-390 |
注:SK水環式真空泵表中列數據在下列條件下得出:
1、 大氣壓力0.1013Mpa(760mmHg)
2、 進水溫度15℃
3、 吸入空氣溫度20℃
4、 空氣相對濕度70%
5、 性能允許偏差±10%
六、SK型水環式真空泵的性能曲線圖:
七、SK型水環式真空泵說明:
SK型水環真空泵及壓縮機系統由真空泵(壓縮機)、聯軸器、電動機、氣水分離器及管路組成。
真空泵及壓縮機與氣水分離器的工作過程如下:氣體由管路經閥門進入真空泵或壓縮機,然后經導氣彎管排入氣水分離器中,經氣水分離器排氣管排出。當作為壓縮機用時,經壓縮機排出的氣水混合物在氣水分離器中分離后,氣體經閥門愉送到需要壓縮氣體的系統上去,而水則留在氣水分離器中,為使氣水分離器的水位保持一定而裝有自動溢水開關,當水位高于所要求水位時,溢水開關打開,水從溢水管溢出,當水位低于要求水位時,溢水開關關閉,氣水分離器中水位上升。達到所要求水位。真空泵或壓縮機內的工作水是由氣水分離器供給(也可用自來水)的,供水量的大小,由供水管上的閥門來調整。
氣體抽吸和壓送系統的區別僅在于氣水分離器的內部構造有所不同。抽吸氣體時,吸氣口壓力低于大氣壓,而排氣口壓力等于大氣壓,氣水分離器只有溢水管。壓送氣體時,吸氣口為常壓(也可為真空狀態),排氣口壓力高于一個大氣壓;為保證輸送氣體壓力,氣水分離器的水位通過溢水開關來控制。

圖5:SK型水環式真空泵系統示意圖
八、SK型水環式真空泵設備安裝:
1、SK型水環式真空泵和電機的安裝: SK型水環式真空泵和壓縮機在安裝前,先用手轉動一下聯軸器,以證實泵內是否有卡信及其它損壞現象。整套設備運抵安裝地點時,包裝已損壞或在存放時受潮濕,以及SK型水環式真空泵在出廠后六個月再行安裝使用時,應在安裝膠全部拆開檢查修理。如果SK型水環式真空泵或壓縮機運轉正常,將泵安裝在泵座上。電動機固定在泵座上以前,應校正電動機軸與泵軸的同心度,因為電動機與泵軸即使是極小的傾斜也會引起軸承發熱和零件的嚴重磨損等后果。將直尺平行放在聯軸器上,在整個圓周的任何位置都與聯軸器圓周密合沒有間隙,且聯軸器的軸向間隙都相等時,則達到了所要求的同心度(圖六)。
2、SK型水環式真空泵氣水分離器的安裝: 氣水分離器根據外形圖安裝在地基上。若有必要改變安裝位置時,應注意分離器與SK水環式真空泵的連接管路不得過長,轉變不得過急,否則氣水混合物在管路中流動損失必將增加,增大了排氣阻力,會因此降低流量和真空度,增加功率消耗。氣水分離器的進氣口法蘭與泵排氣口法蘭之間由彎管連接,氣水分離器底部,有一管路與泵相連,由此供給泵正常工作所需水量,供水量大小由管路上的閥門調節,氣水分離器另有一管路,管路上裝閥門,消耗的工作水由此補充。
3、SK型水環式真空泵與氣水分離器間管路安裝: SK型水環式真空泵或壓縮機的排氣管與氣水分離器的進氣管相連,當作為壓縮機使用時,氣水分離器的排氣管與利用壓縮氣體的系統相連,一般情況下,要求管路不得過長,轉變不得過急。當作SK型水環式真空泵用時,氣體由氣水分離器的排氣口排至大氣,若為改善工作環境,可將氣體通過管路排至工作地點以外。管路法蘭盤連接處,應用墊片使其可靠密合,尤其是泵的進氣管路稍有不嚴密之處,就不能達到預定的真空度。SK型水環式真空泵或壓縮機的進氣管上應裝有庫閥,以便在停車時,先行關閉,防止真空泵或壓縮機內的水在排氣管方面的壓力作用下返回系統。為方便工作,最好在進氣口與閥門之間安裝一只真空表,以便隨時檢查真空的工作情況是否正常。當作為壓縮機使用時,應在氣水分離器的排氣管路上安裝閘閥,(最好為單向閥以保證發和異常情況時,不致使氣體返回,以致使工作水返回系統),在排氣管和閥門之間安裝一只壓力表,可隨時檢查壓送氣體是否達到所需壓力。
另外注意:管路應加裝過濾網,(其孔眼不大于0.5mm)防止雜物進入泵內,對泵產生損壞。
4、SK型水環式真空泵調節結構: SK型水環式真空泵是用安裝在進氣管路上的閥門來調整真空度和流量。閥門以任何一種形式,安裝在排氣管路上,以便調節被壓送氣體的壓力。被壓縮氣體根據其使用條件不許將其排出時,應在進氣管對排氣管之間裝一導氣管,其直徑與裝在其上的閥門直徑相同,以便在很大限度內調節氣量。

圖6:同心度校正方法
1、軸承架2、前軸承壓蓋3、泵軸4、泵聯軸器5、直尺6、電機聯軸器7、電機
九、SK型水環式真空泵的安裝尺寸圖:
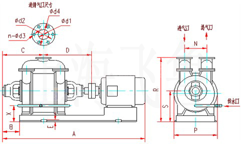
SK-1.5、SK-3水環式真空泵及壓縮機外形及安裝尺寸圖:
| 代號 |
A |
B |
C |
D |
E |
F |
G |
H |
I |
J |
K |
L |
M |
N |
| SK-1.5 |
947 |
25 |
172 |
180 |
215 |
130 |
289 |
475 |
420 |
355 |
470 |
392 |
342 |
248 |
| SK-3 |
1122 |
25 |
172 |
260 |
215 |
130 |
289 |
475 |
454 |
355 |
504 |
420 |
370 |
300 |
| 代號 |
P |
R |
S |
T |
W |
d1 |
d2 |
d3 |
d4 |
d5 |
Z |
V |
底腳螺栓 |
| SK-1.5 |
513 |
100 |
260 |
735 |
177 |
70 |
160 |
130 |
14 |
18 |
187 |
40 |
M16×400 |
| SK-3 |
640 |
100 |
370 |
900 |
177 |
70 |
160 |
130 |
14 |
18 |
195 |
60 |
M16×400 |
SK-1.5、SK-3水環式真空泵及壓縮機用氣水分離器外形及安裝尺寸:
| A |
B |
C |
D |
E |
F |
G |
H |
I |
J |
K |
L |
M |
N |
P |
R |
| 240 |
50 |
760 |
500 |
70 |
620 |
380 |
965 |
40 |
230 |
70 |
300 |
150 |
150 |
140 |
275 |
| Z1 |
Z2 |
Z3 |
Z4 |
Z5 |
d1 |
d2 |
d3 |
d4 |
d5 |
d6 |
d7 |
d8 |
d9 |
O |
- |
| G3/8" |
G1" |
G1/2" |
G1/2" |
G1.5" |
14 |
160 |
65 |
130 |
90 |
12 |
65 |
15 |
14 |
45° |
- |
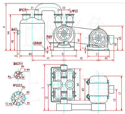
SK-6、SK-12、SK-20、SK-30、SK-42水環式真空泵及壓縮機外形及安裝尺寸圖:

SK-6、SK-12、SK-20真空泵、壓縮機及SK-30真空泵底腳安裝尺寸:
SK-30壓縮機及SK-42真空泵底腳安裝尺寸:

| 代號 |
A |
B |
C |
D |
E |
F |
G/G1 |
H |
I |
J |
K |
L |
M |
N |
| SK-6 |
真空泵 |
1432 |
114 |
370 |
457 |
30 |
235 |
800 |
1225 |
/ |
470 |
420 |
420 |
470 |
210 |
|
壓縮機 |
1477 |
91 |
370 |
457 |
30 |
235 |
800 |
1225 |
/ |
470 |
420 |
420 |
470 |
210 |
| SK-12 |
真空泵 |
1761 |
141 |
448 |
538 |
30 |
300 |
940 |
1468 |
858 |
580 |
520 |
460 |
520 |
280 |
|
壓縮機 |
1831 |
141 |
448 |
538 |
30 |
300 |
990 |
1520 |
/ |
580 |
520 |
520 |
580 |
280 |
| SK-20 |
真空泵 |
2100 |
141 |
491 |
609 |
30 |
340 |
1132 |
1780 |
/ |
690 |
630 |
630 |
690 |
350 |
|
壓縮機 |
2370 |
159 |
491 |
609 |
30 |
340 |
1210 |
1895 |
686 |
690 |
630 |
720 |
780 |
350 |
| SK-30 |
真空泵 |
2500 |
144 |
556 |
674 |
30 |
405 |
1270 |
2020 |
685 |
690 |
630 |
720 |
780 |
350 |
|
壓縮機 |
2570 |
144 |
556 |
674 |
30 |
405 |
1295 |
2071 |
711 |
690 |
630 |
700 |
760 |
350 |
| SK-42 |
真空泵 |
2720 |
144 |
630 |
750 |
30 |
480 |
1445 |
2221 |
711 |
690 |
630 |
700 |
760 |
350 |
| 代號 |
P |
R |
S |
T |
W |
X |
Z |
d1 |
d2 |
d3 |
d4 |
d5 |
n |
底腳螺栓 |
| SK-6 |
真空泵 |
330 |
610 |
315 |
410 |
410 |
183 |
G1/2" |
80 |
130 |
14 |
160 |
18 |
4 |
M16×400 |
|
壓縮機 |
330 |
610 |
315 |
410 |
410 |
183 |
G1/2" |
80 |
130 |
14 |
160 |
18 |
4 |
|
| SK-12 |
真空泵 |
440 |
740 |
355 |
520 |
460 |
163 |
G1/2" |
80 |
150 |
14 |
180 |
27 |
4 |
M24×600 |
|
壓縮機 |
440 |
755 |
370 |
520 |
520 |
178 |
G1/2" |
80 |
150 |
14 |
180 |
27 |
4 |
|
| SK-20 |
真空泵 |
680 |
1010 |
485 |
650 |
650 |
220 |
G3/4" |
150 |
200 |
18 |
235 |
27 |
6 |
M24×600 |
|
壓縮機 |
680 |
1015 |
490 |
650 |
720 |
225 |
G3/4" |
150 |
200 |
18 |
235 |
27 |
6 |
|
| SK-30 |
真空泵 |
680 |
1010 |
485 |
650 |
720 |
220 |
G3/4" |
150 |
200 |
18 |
235 |
27 |
6 |
M24×600 |
|
壓縮機 |
680 |
1015 |
490 |
650 |
708 |
225 |
G3/4" |
150 |
200 |
18 |
235 |
27 |
6 |
|
| SK-42 |
真空泵 |
680 |
1015 |
490 |
650 |
708 |
225 |
G3/4" |
150 |
200 |
18 |
235 |
27 |
6 |
M24×600 |
SK-6、SK-12、SK-30水環式真空泵及壓縮機氣水分離器外形尺寸圖:

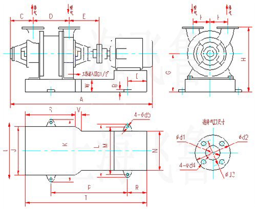
 SK-60、SK-85、SK-120水環式真空泵外形及安裝尺寸圖:
SK-60、SK-85、SK-120水環式真空泵底腳安裝尺寸:
| 代號 |
A1 |
A2 |
A3 |
B |
C |
D |
D1 |
D2 |
E1 |
E2 |
F |
H |
H1 |
H2 |
H3 |
H4 |
| SK-60 |
1283 |
1430 |
620 |
1020 |
1088 |
1000 |
1089 |
1170 |
500 |
465 |
100 |
1915 |
695 |
525 |
1025 |
1474 |
| SK-85 |
1283 |
1430 |
660 |
1020 |
1158 |
1000 |
1089 |
1170 |
500 |
465 |
100 |
1915 |
695 |
550 |
1110 |
1474 |
| SK-120 |
1773 |
1528 |
620 |
1330 |
/ |
1400 |
1512 |
1612 |
640 |
705 |
100 |
2458 |
945 |
600 |
1255 |
1970 |
| 代號 |
H5 |
I |
J |
K |
L |
L1 |
L2 |
L3 |
M1 |
M2 |
N1 |
N2 |
P1 |
P2 |
S |
T |
| SK-60 |
750 |
35 |
80 |
305 |
1928 |
1305 |
1000 |
815 |
1215 |
830 |
620 |
490 |
940 |
910 |
153 |
260 |
| SK-85 |
750 |
35 |
80 |
305 |
2178 |
1510 |
1125 |
915 |
1465 |
990 |
690 |
630 |
940 |
1160 |
153 |
280 |
| SK-120 |
1000 |
50 |
150 |
520 |
2340 |
1445 |
1224 |
926 |
1740 |
960 |
710 |
620 |
1210 |
1240 |
250 |
300 |
| 代號 |
a |
b |
c |
d |
e |
f |
g |
h |
i |
j |
k |
x |
G |
底腳螺栓 |
| SK-60 |
370 |
250 |
335 |
18 |
205 |
100 |
170 |
18 |
18 |
36 |
36 |
15° |
G1" |
M30×500 |
| SK-85 |
370 |
250 |
335 |
18 |
205 |
100 |
170 |
18 |
18 |
36 |
36 |
15° |
G1" |
M30×500 |
| SK-120 |
435 |
300 |
395 |
23 |
205 |
100 |
170 |
18 |
18 |
48 |
48 |
0 |
G1.25" |
M42×630 |
十、SK型水環式真空泵的啟動與停車:
1、SK型水環式真空泵啟動:
SK型水環式真空泵長期停車的泵在開動以前,必用手轉動數周,以證實泵內沒有卡信或其它損壞現象。啟動按以下順序進行(參見圖5); (1)關閉進氣管路上的閘閥4; (2)啟動電動機(從傳動方向看,電機為順時針方向旋轉,右側為吸氣口,左側為排氣口)。泵為機械密封,應先給機械密封加水再起動電動機。
(3)打開供水管上的閥門6(或直接用自來水向泵內供水),逐漸增加供水量,至供水量符合規定要求為止。
(4)當SK型水環式真空泵達極限真空或最大壓力時,打開進氣管路上的閘閥2,SK型水環式真空泵開始正常工作;
(5)調整填料壓蓋,使水成滴往外滴為好。
(6)由閥門來調整氣水分離器向泵供水量,以便在要求的技術條件下運轉,使功率消耗量小,達到性能指標,滿足工作要求。
(7)調整供水管供給氣水分離器的水量,以便用最小的水耗量,保證泵內所要求的技術規范。 (8)SK型水環式真空泵在極限壓力下工作時,SK型水環式真空泵內可能由于物理作用而發生爆炸聲,但功率消耗并不增大,可將進氣管路上的閥門打開,使之進入少量氣體,爆炸聲即行消失。如果爆炸聲不消失,且功率消耗增大,則表明泵已發生故障,應停車檢修。
2、停車:
停車應按以下順序:
(1)關閉進氣管上的閥門(做壓縮用時應先關閉排氣管上的閥門,然后關閉吸氣閥)。 (2)關閉供水管路上的閘閥,停水后,不應立即停SK型水環式真空泵,應使泵繼續運轉1-2分鐘,排出部分工作液。泵為機械密封,機械密封的冷卻水不能關閉。 (3)關閉電動機,再關閉機械密封冷卻水。 (4)SK型水環式真空泵如果停車時間超過一天,必須將泵及氣水分離器內的水放掉,以防銹蝕。
十一、SK型水環式真空泵的維護:
1.經常檢查軸承的工作和潤滑情況。
2.正常工作的軸承比周圍溫度高15℃~20℃,最高不允許超過過55℃~60℃,正常工作的軸承每年應裝油3~4次。每年至少清洗軸承一次,并將潤滑油全部更換。 3.如果是填料密封,應定期地壓緊填料,如果填料因磨損而不能保證所需要的密封性能時,應更換新填料。填料不能壓得過緊。正常壓緊的填料,允許水成滴滴出,以保證冷卻和加強密封性。
如果采用機械密封,出現泄漏現象,應檢查機械密封的動、靜環是否已損壞,或是密封圈已老化,如出現上述情況,均更換新零件。
十二、SK型水環式真空泵的拆卸與裝配:
1.SK型水環式真空泵拆卸 SK型水環式真空泵的拆卸分為部分拆卸檢查和完全拆卸修理及更換零件,在拆卸前應將泵腔內的水放出,并將進氣管及排氣拆下。在拆卸過程中,應將所有的墊謹慎地取下,如發生損壞應在裝配時更換同樣厚度的新墊。泵應從后端(無聯軸器一端)開始拆卸,其順序如下:
(1)松開并取下兩連通管(SK-1.5/3無連通管)
(2)松開并取下后軸承壓蓋。
(3)用鉤板手將圓螺母松開,取下填料壓蓋。
(4)松開填料壓蓋螺帽,取下填料壓蓋。
(5)松開泵體和端蓋的聯接螺栓和泵腳處的螺栓。
(6)在泵體下加一支承,然后從軸上取下端蓋。 (7)取下SK型水環式真空泵體。泵的部分拆卸至此為止,此時泵的工作部分及各個零件可進行檢查及清洗。完全拆卸,應按下列順序繼續進行。
(8)松開另一泵腳螺栓,從底座上取下泵頭。
(9)取下聯軸器。
(10)從軸上取下聯軸器的鍵。
(11)取下前軸承壓蓋。
(12)松開軸承備背帽,取下軸承架和軸承。
(13)松開填料壓蓋的壓緊螺帽,取下填料壓蓋。
(14)將軸和葉輪一同從端蓋中取出。
(15)從軸上取下軸套。
(16)從軸上取葉輪。
拆卸完畢,應將配合面和螺紋仔細擦凈涂上機油。
2.SK型水環式真空泵裝配:
(1)SK型水環式真空泵裝配前清洗留在配合面上的墊并仔細擦凈。
(2)清除軸承和軸承架內的舊油并更換新油。
(3)裝配順序與拆卸順序相反 裝配時最主要的是調整葉輪端面和端蓋上園盤的間隙,間隙的大小,直接影響泵的性能,兩邊總間隙按下表規定間隙,由泵體和端蓋之間加墊獲得,葉輪兩端面間隙應均勻,可松緊軸套或背帽以移動葉輪來調整。
| 型 號 |
兩側總間隙 |
單側間隙 |
| SK-1.5 |
0.20~0.30 |
0.10~0.15 |
| SK-3 |
0.20~0.30 |
0.10~0.15 |
| SK-6 |
0.30~0.40 |
0.15~0.20 |
| SK-12 |
0.30~0.40 |
0.15~0.20 |
| SK-20 |
0.40~0.60 |
0.20~0.30 |
| SK-30 |
0.40~0.60 |
0.20~0.30 |
| SK-42 |
0.40~0.60 |
0.20~0.30 |
| SK-60 |
0.50~0.70 |
0.25~0.35 |
| SK-85 |
0.50~0.70 |
0.25~0.35 |
| SK-120 |
0.50~0.70 |
0.25~0.35 |
注:(1)本廠產品隨技術改進等原因,不經預告可變更
(2)本廠產品在保修期內,不經廠家允許,不得隨意拆卸。
相關產品推薦:
2BV型水環式真空泵 2BEC型水環式真空泵 2SY型水環式真空泵 SK直聯型水環式真空泵
SZ型水環式真空泵 |